cnatbearing@vip.sina.com
All product categories

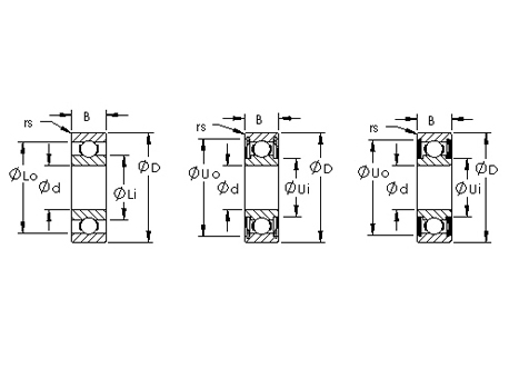
Inch This Wall Bearing (Open,ZZ,2RS)

Commodity technical consultation

Our professional technicians will help you.Acceptance time: 8:00 ~ 18:00 (Monday ~ Friday, excluding China legal festival

Email: cnatbearing@vip.sina.com

Tel: 86-020-81438836

© Copyright   Anton Machinery Technology (Guangdong) Co., Ltd   Technical support:Bearing .cn